课程
院校
关于我们
素材中心
课程
院校
关于我们
素材中心
登录
注册
登录
注册
首页
公共基础课
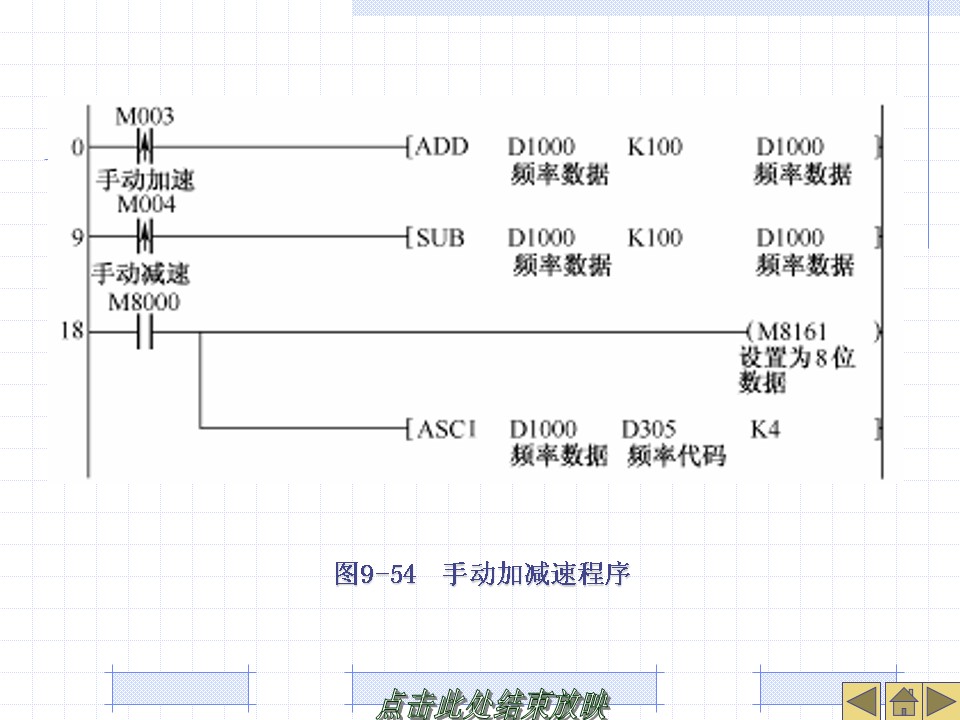
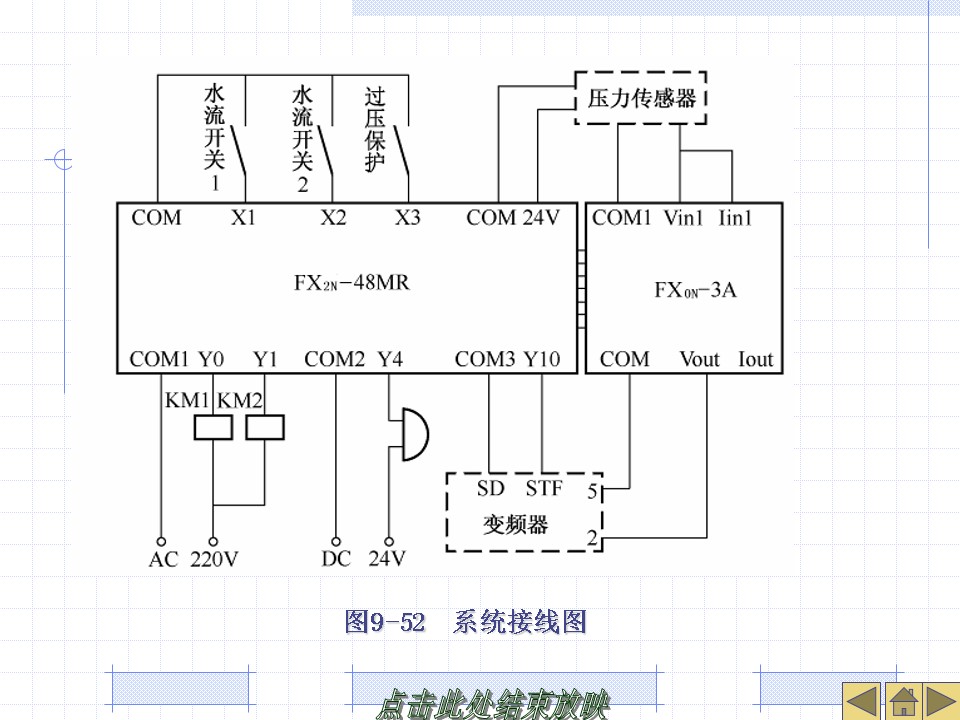
第九章B
第九章B
课程信息
来源:原创
上传人:管理员
所属课程: 电气控制与PLC
适用对象:学员
素材语言:中文
上传时间:2017-06-26 10:16:43
联系方式:
标签关键词:教学视频
媒体类型: PPT演示文稿
相关素材
向上
异读词
演讲的内容
演讲的开场技巧
向下
学
习
中
心
TOP
智学客客服
工作时间:8:30 - 17:30
智学客:010-56079855
邮箱:
zxkedu@sohu.com